TOYOTA HIACE VAN COMUTER YH53RV-MNEQ / ELECTRICAL / HEATING AIR CONDITIONING COOLER UNIT

Toyota Land Cruiser genuine parts

Toyota - LEXUS genuine parts

HEATING AIR CONDITIONING COOLER UNIT

(8212- )YH63..GEN ; (8212- )YH61..4HC..GEN

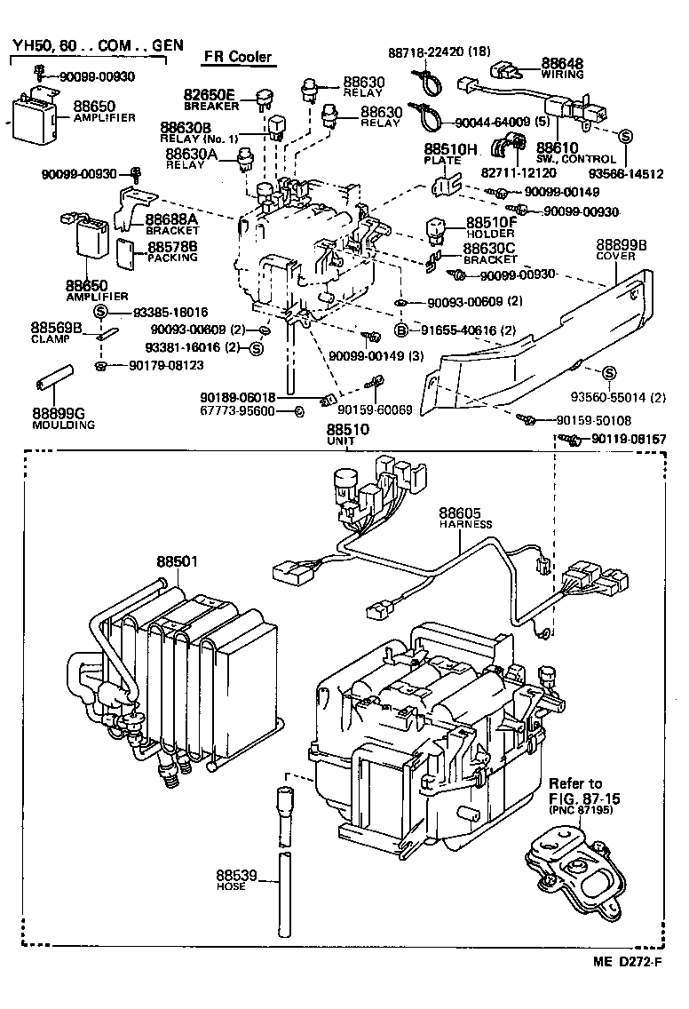
 HIACE VAN COMUTER |  HEATING AIR CONDITIONING COOLER UNIT  ** Std Part 82650E - BREAKER ASSY, WIRING CIRCUIT  ** Std Part ** Refer Fig 88501 - EVAPORATOR SUB-ASSY, COOLER, NO.1 88510 - UNIT ASSY, COOLER 88510F - HOLDER, FUSE 88510H - PLATE, COOLER UNIT, NO.1 88539 - HOSE, COOLER UNIT DRAIN, NO.1 88569B - CLAMP (FOR COOLER WIRING HARNESS), NO.2 88578B - PACKING, COOLING UNIT, NO.1 88605 - HARNESS SUB-ASSY, COOLER WIRING, NO.1 88610 - SWITCH ASSY, COOLER CONTROL 88630 - RELAY ASSY, COOLER 88630 - RELAY ASSY, COOLER 88630A - RELAY ASSY, COOLER 88630B - RELAY ASSY, COOLER 88630C - BRACKET, COOLER RELAY 88648 - WIRING, COOLER, NO.1 88650 - AMPLIFIER ASSY, COOLER STABILIZER 88650 - AMPLIFIER ASSY, COOLER STABILIZER 88688A - BRACKET, COOLER STABILIZER AMPLIFIER  ** Std Part 88899B - COVER, COOLER CONTROL 88899G - MOULDING, PROTECTOR  ** Std Part  ** Std Part  ** Std Part  ** Std Part  ** Std Part  ** Std Part  ** Std Part  ** Std Part  ** Std Part  ** Std Part  ** Std Part  ** Std Part  ** Std Part  ** Std Part  ** Std Part  ** Std Part  ** Std Part  ** Std Part  ** Std Part

Register

Nick (login)
Password
Full name
eMail
Phone
Country

Login

Nick (login)
Password