TOYOTA DYNA150 YY61R-MDB / TOOL-ENGINE-FUEL / CYLINDER BLOCK

Toyota Land Cruiser genuine parts

Toyota - LEXUS genuine parts

CYLINDER BLOCK

(8508- )2Y,3Y

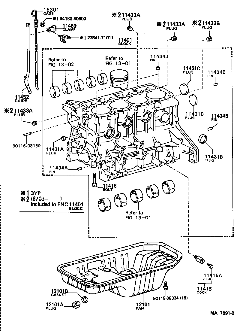
 DYNA150 |  CYLINDER BLOCK 11401 - BLOCK SUB-ASSY, CYLINDER 11415 - COCK SUB-ASSY, WATER DRAIN(FOR CYLINDER BLOCK) 11415A - PLUG, WATER DRAIN COCK(FOR CYLINDER BLOCK) 11416 - BOLT(FOR CRANKSHAFT BEARING CAP SET) 11431A - PLUG, TIGHT, NO.1(FOR CYLINDER BLOCK) 11431B - PLUG, TIGHT, NO.2(FOR CYLINDER BLOCK) 11431C - PLUG, TIGHT, NO.3(FOR CYLINDER BLOCK) 11431D - PLUG, TIGHT, NO.4(FOR CYLINDER BLOCK) 11432B - PLUG, W/HEAD TAPER SCREW, NO.2 11433A - PLUG, STRAIGHT, NO.1 11433A - PLUG, STRAIGHT, NO.1 11433A - PLUG, STRAIGHT, NO.1 11434A - PIN, STRAIGHT(FOR TIMING GEAR COVER SET) 11434B - PIN, STRAIGHT(FOR CLUTCH HOUSING SET) 11434B - PIN, STRAIGHT(FOR CLUTCH HOUSING SET) 11434J - PIN, RING (FOR CYLINDER HEAD SET) 11452 - GUIDE, OIL LEVEL GAGE 11459 - SUPPORT, OIL LEVEL GAGE GUIDE 12101 - PAN SUB-ASSY, OIL 12101A - PLUG(FOR OIL PAN DRAIN) 12101B - GASKET(FOR OIL PAN DRAIN PLUG) ** Refer Fig ** Refer Fig ** Refer Fig 15301 - GAGE SUB-ASSY, OIL LEVEL  ** Std Part  ** Std Part  ** Std Part  ** Std Part

Register

Nick (login)
Password
Full name
eMail
Phone
Country

Login

Nick (login)
Password