TOYOTA CROWN MS122L-SEPGS / POWERTRAIN-CHASSIS / VANE PUMP RESERVOIR POWER STEERING

Toyota Land Cruiser genuine parts

Toyota - LEXUS genuine parts

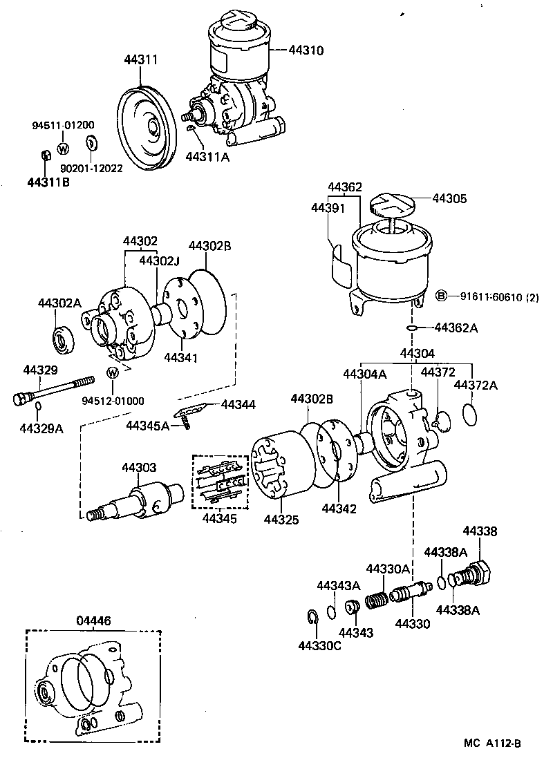
VANE PUMP RESERVOIR POWER STEERING

(8009- )MS122 ; (8308-8509)ARL,SWZ ; (8509-

 CROWN |  VANE PUMP RESERVOIR POWER STEERING 04446 - GASKET KIT, POWER STEERING PUMP 44302 - HOUSING SUB-ASSY, VANE PUMP, FRONT 44302A - SEAL, OIL, NO.1(FOR VANE PUMP HOUSING) 44302B - RING, O, NO.1(FOR VANE PUMP HOUSING) 44302B - RING, O, NO.1(FOR VANE PUMP HOUSING) 44302J - BUSH(FOR VANE PUMP HOUSING) 44303 - SHAFT SUB-ASSY, W/ROTOR 44304 - HOUSING SUB-ASSY, VANE PUMP, REAR 44304A - BUSH, BIMETAL FORMED(FOR PUMP HOUSING REAR) 44305 - CAP SUB-ASSY, VANE PUMP OIL RESERVOIR 44310 - PUMP ASSY, VANE 44311 - PULLEY, VANE PUMP 44311A - KEY, VANE PUMP PULLEY 44311B - NUT(FOR VANE PUMP PULLEY) 44325 - RING, FIXED(FOR VANE PUMP) 44329 - BOLT, VANE PUMP FRONT HOUSING & REAR HOUSING SET 44329A - RING, O(FOR VANE PUMP HOUSING SET BOLT) 44330 - VALVE ASSY, FLOW CONTROL 44330A - SPRING, COMPRESSION(FOR FLOW CONTROL VALVE) 44330C - RING, SNAP(FOR FLOW CONTROL VALVE) 44338 - UNION, PRESSURE PORT 44338A - RING, O(FOR PRESSURE PORT UNION) 44338A - RING, O(FOR PRESSURE PORT UNION) 44341 - PLATE, VANE PUMP SIDE, FRONT 44342 - PLATE, VANE PUMP SIDE, REAR 44343 - SEAT, FLOW CONTROL SPRING 44343A - RING, O(FOR FLOW CONTROL SPRING SEAT) 44344 - SEAT, SPRING(FOR VANE PUMP) 44345 - SLIPPER, VANE PUMP 44345A - SPRING, COMPRESSION(FOR VANE PUMP SLIPPER) 44362 - RESERVOIR, OIL(FOR VANE PUMP) 44362A - RING, O(FOR VANE PUMP OIL RESERVOIR) 44372 - PLUG, POWER STEERING PUMP TIGHT 44372A - RING, O(FOR POWER STEERING PUMP TIGHT PLUG) 44391 - PLATE, POWER STEERING OIL RESERVOIR CAUTION  ** Std Part  ** Std Part  ** Std Part  ** Std Part

Register

Nick (login)
Password
Full name
eMail
Phone
Country

Login

Nick (login)
Password