TOYOTA HILUX KUN26L-DRASYW / ELECTRICAL / HEATING AIR CONDITIONING COOLER PIPING

Toyota Land Cruiser genuine parts

Toyota - LEXUS genuine parts

HEATING AIR CONDITIONING COOLER PIPING

ILLUST NO. 1 OF 2(1107- )KUN26..THDCB

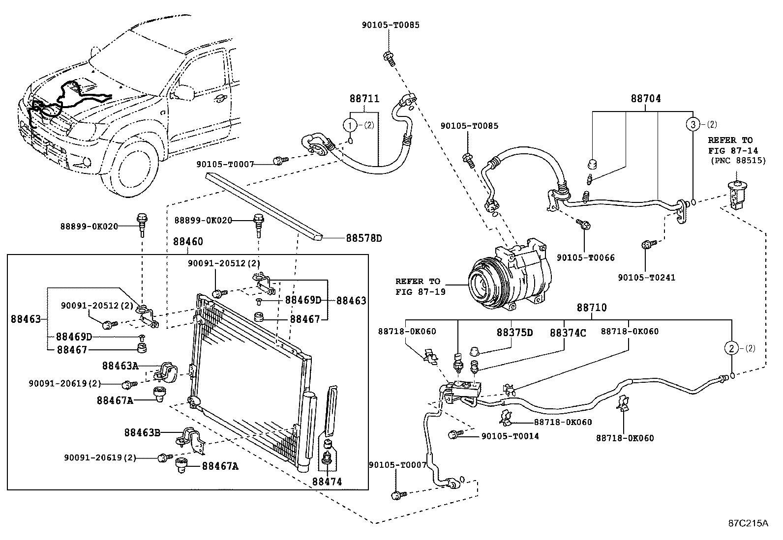
 HILUX |  HEATING AIR CONDITIONING COOLER PIPING ** Refer Fig ** Refer Fig 88374C - VALVE, SERVICE, NO.2 88375D - CAP, SERVICE VALVE, NO.2 88460 - CONDENSER ASSY, COOLER 88463 - BRACKET, COOLER CONDENSER, NO.1 88463 - BRACKET, COOLER CONDENSER, NO.1 88463A - BRACKET, COOLER CONDENSER, NO.2 88463B - BRACKET, COOLER CONDENSER, NO.3 88467 - CUSHION, COOLER CONDENSER, NO.1 88467 - CUSHION, COOLER CONDENSER, NO.1 88467A - CUSHION, COOLER CONDENSER, NO.2 88467A - CUSHION, COOLER CONDENSER, NO.2 88469D - COLLAR, CONDENSER BRACKET, NO.1 88469D - COLLAR, CONDENSER BRACKET, NO.1 88474 - DRYER, COOLER 88578D - PACKING, COOLER PIPE, NO.1 88704 - HOSE SUB-ASSY, SUCTION 88710 - TUBE ASSY, AIRCONDITIONER 88711 - HOSE, COOLER REFRIGERANT DISCHARGE, NO.1  ** Std Part  ** Std Part  ** Std Part  ** Std Part  ** Std Part  ** Std Part  ** Std Part  ** Std Part  ** Std Part  ** Std Part  ** Std Part  ** Std Part  ** Std Part  ** Std Part  ** Std Part  ** Std Part  ** Std Part

Register

Nick (login)
Password
Full name
eMail
Phone
Country

Login

Nick (login)
Password