TOYOTA PREVIA TARAGO ACR50R-GRPDKQ / TOOL-ENGINE-FUEL / ALTERNATOR

Toyota Land Cruiser genuine parts

Toyota - LEXUS genuine parts

ALTERNATOR

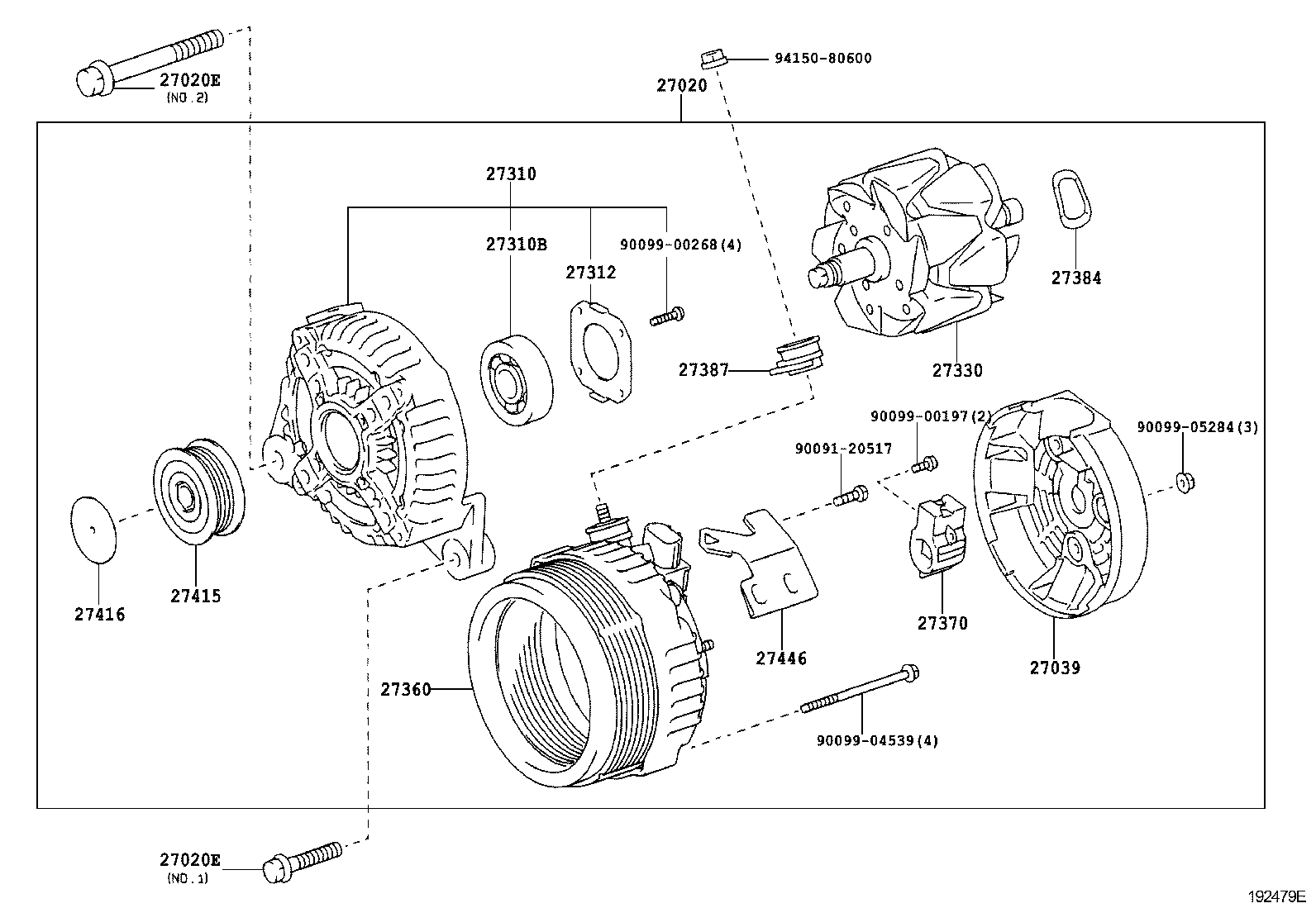
12V 150A ILLUST NO. 1 OF 2(0601- )2AZFE

 PREVIA TARAGO |  ALTERNATOR 27020 - ALTERNATOR ASSY 27020E - BOLT(FOR ALTERNATOR) 27020E - BOLT(FOR ALTERNATOR) 27039 - COVER, ALTERNATOR REAR END 27310 - FRAME ASSY, DRIVE END, ALTERNATOR 27310B - BEARING(FOR ALTERNATOR DRIVE END FRAME) 27312 - PLATE, RETAINER 27330 - ROTOR ASSY, ALTERNATOR 27360 - COIL ASSY, ALTERNATOR 27370 - HOLDER ASSY, ALTERNATOR BRUSH 27384 - WASHER 27387 - INSULATOR, TERMINAL 27415 - PULLEY, ALTERNATOR W/CLUTCH 27416 - CAP, ALTERNATOR PULLEY 27446 - CLIP, ALTERNATOR CORD  ** Std Part  ** Std Part  ** Std Part  ** Std Part  ** Std Part  ** Std Part

Register

Nick (login)
Password
Full name
eMail
Phone
Country

Login

Nick (login)
Password