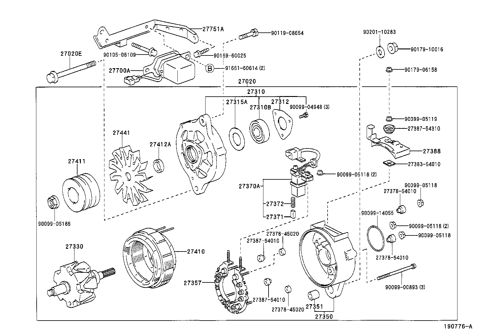
TOYOTA DYNA 150 LY211R-PGMES / TOOL-ENGINE-FUEL / ALTERNATOR

Toyota Land Cruiser genuine parts

Toyota - LEXUS genuine parts

ALTERNATOR

12V 50A (9505- )3L ; (9505- )5L..EUR

 DYNA 150 |  ALTERNATOR

Register

Nick (login)
Password
Full name
eMail
Phone
Country

Login

Nick (login)
Password