TOYOTA CORONA RT142R-TEMNEQ / ELECTRICAL / HEATING AIR CONDITIONING CONTROL AIR DUCT

Toyota Land Cruiser genuine parts

Toyota - LEXUS genuine parts

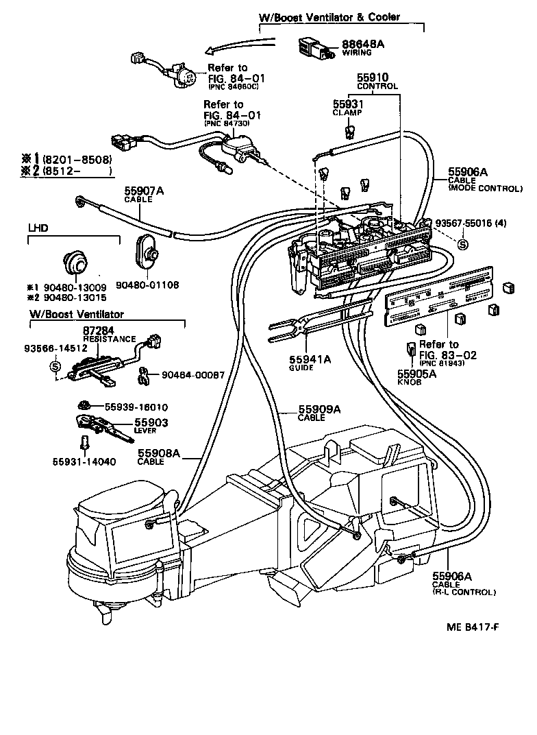
HEATING AIR CONDITIONING CONTROL AIR DUCT

ILLUST NO. 1 OF 2(8201- )

 CORONA |  HEATING AIR CONDITIONING CONTROL AIR DUCT 55903 - LEVER SUB-ASSY, HEATER CONTROL 55905A - KNOB, HEATER CONTROL 55906A - CABLE SUB-ASSY, DEFROSTER DAMPER CONTROL 55906A - CABLE SUB-ASSY, DEFROSTER DAMPER CONTROL 55907A - CABLE SUB-ASSY, WATER VALVE CONTROL 55908A - CABLE SUB-ASSY, AIR INLET DAMPER CONTROL 55909A - CABLE SUB-ASSY, AIRMIX DAMPER CONTROL 55910 - CONTROL ASSY, HEATER OR BOOST VENTILATOR 55931 - CLAMP, HEATER CONTROL WIRE  ** Std Part  ** Std Part 55941A - GUIDE, HEATER CONTROL ** Refer Fig ** Refer Fig ** Refer Fig 87284 - RESISTOR SUB-ASSY, VARIABLE 88648A - WIRING, COOLER  ** Std Part  ** Std Part  ** Std Part  ** Std Part  ** Std Part  ** Std Part

Register

Nick (login)
Password
Full name
eMail
Phone
Country

Login

Nick (login)
Password