TOYOTA TERCEL AL20R-ZHHDS / TOOL-ENGINE-FUEL / ENGINE OIL PUMP

Toyota Land Cruiser genuine parts

Toyota - LEXUS genuine parts

ENGINE OIL PUMP

(8205-8511)

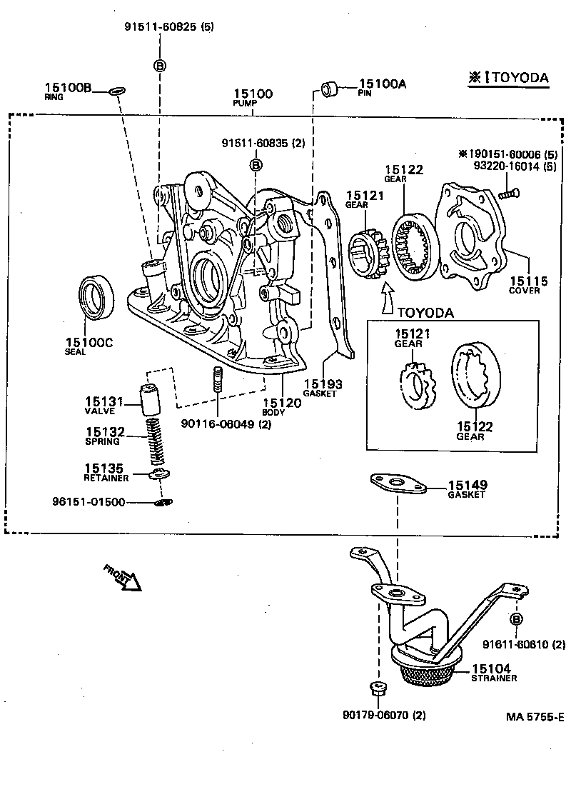
 TERCEL |  ENGINE OIL PUMP 15100 - PUMP ASSY, OIL 15100A - PIN, RING(FOR OIL PUMP SET) 15100B - RING, O(FOR OIL PUMP) 15100C - SEAL(FOR OIL PUMP) 15104 - STRAINER SUB-ASSY, OIL 15115 - COVER, OIL PUMP 15120 - BODY SUB-ASSY, OIL PUMP 15121 - GEAR, OIL PUMP DRIVE 15121 - GEAR, OIL PUMP DRIVE 15122 - GEAR, OIL PUMP DRIVEN 15122 - GEAR, OIL PUMP DRIVEN 15131 - VALVE, OIL PUMP RELIEF 15132 - SPRING, OIL PUMP RELIEF VALVE 15135 - RETAINER, OIL PUMP RELIEF VALVE 15149 - GASKET, OIL STRAINER FLANGE 15193 - GASKET, OIL PUMP  ** Std Part  ** Std Part  ** Std Part  ** Std Part  ** Std Part  ** Std Part  ** Std Part  ** Std Part

Register

Nick (login)
Password
Full name
eMail
Phone
Country

Login

Nick (login)
Password