TOYOTA CARINA TA12-HF / POWERTRAIN-CHASSIS / SHIFT LEVER RETAINER

Toyota Land Cruiser genuine parts

Toyota - LEXUS genuine parts

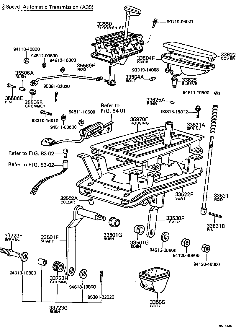
SHIFT LEVER RETAINER

(7208-7308)3FC

 CARINA |  SHIFT LEVER RETAINER 33501F - SHAFT SUB-ASSY, CONTROL (FOR FLOOR SHIFT) 33501G - BUSH (FOR FLOOR SHIFT CONTROL SHAFT) 33501G - BUSH (FOR FLOOR SHIFT CONTROL SHAFT) 33502A - COLLAR (FOR FLOOR SHIFT SETTING) 33504A - BOLT OR PIN (FOR SHIFT LEVER KNOB SETTING) 33504F - KNOB SUB-ASSY, SHIFT LEVER 33522F - SEAT, SHIFT LEVER PLATE (FOR FLOOR SHIFT) 33530F - LEVER ASSY, SHIFT (FOR FLOOR SHIFT) 33550 - FLOOR SHIFT ASSY, TRANSMISSION 33555 - BOOT, SHIFT LEVER 33622 - COVER, SHIFT LEVER KNOB, NO.1 33625 - SLEEVE, SHIFT LEVER KNOB 33625A - RING, O(FOR SHIFT LEVER KNOB SLEEVE) 33631 - ROD, DETENT 33631A - SPRING, COMPRESSION (FOR DETENT ROD) 33631B - PIN, SLOTTED SPRING (FOR DETENT ROD) 33723F - SWIVEL, CONNECTING ROD (FOR FLOOR SHIFT) 33723G - BUSH (FOR FLOOR SHIFT CONTROL SHAFT) 33723H - GROMMET (FOR FLOOR SHIFT CONTROL SHAFT) 35506A - BUSH (FOR MANUAL VALVE LEVER SHAFT) 35506B - GROMMET (FOR MANUAL VALVE LEVER SHAFT) 35506E - PIN, W/HOLE (FOR MANUAL VALVE LEVER) 35569F - ROD, TRANSMISSION CONTROL, 1ST (FOR FLOOR SHIFT) 35970F - HOUSING ASSY, POSITION INDICATOR ** Refer Fig ** Refer Fig ** Refer Fig  ** Std Part  ** Std Part  ** Std Part  ** Std Part  ** Std Part  ** Std Part  ** Std Part  ** Std Part  ** Std Part  ** Std Part  ** Std Part  ** Std Part  ** Std Part  ** Std Part  ** Std Part  ** Std Part  ** Std Part

Register

Nick (login)
Password
Full name
eMail
Phone
Country

Login

Nick (login)
Password