LEXUS ES250 350 300H AVV60L-BEXGBW / ELECTRICAL / INVERTER COOLING

Toyota Land Cruiser genuine parts

Toyota - LEXUS genuine parts

INVERTER COOLING

(1206- )AVV60

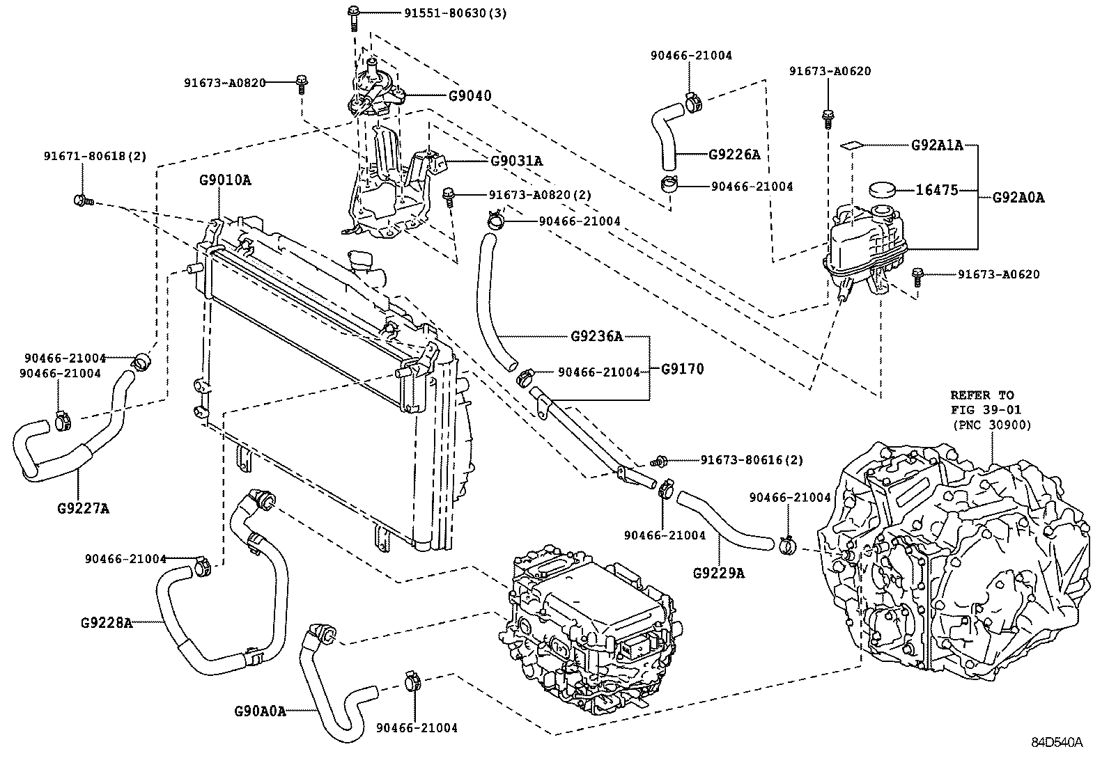
 ES250 350 300H |  INVERTER COOLING 16475 - CAP, RESERVE TANK ** Refer Fig  ** Std Part  ** Std Part  ** Std Part  ** Std Part  ** Std Part  ** Std Part  ** Std Part  ** Std Part  ** Std Part  ** Std Part  ** Std Part  ** Std Part  ** Std Part  ** Std Part  ** Std Part  ** Std Part  ** Std Part G9010A - RADIATOR  ASSY G9031A - BRACKET SUB-ASSY, HV WATER PUMP G9040 - INVERTER WATER PUMP ASSY(W/MOTOR) G90A0A - HOSE ASSY, INVERTER COOLING, NO.1 G9170 - PIPE ASSY, INVERTER COOLING NO.1 G9226A - HOSE, INVERTER COOLING, NO.2 G9227A - HOSE, INVERTER COOLING, NO.3 G9228A - HOSE, INVERTER COOLING, NO.4 G9229A - HOSE, INVERTER COOLING, NO.5 G9236A - HOSE, INVERTER COOLING, NO.6 G92A0A - TANK ASSY, INVERTER RESERVE G92A1A - LABEL, HYBRID COOLANT SYSTEM INFORMATION

Register

Nick (login)
Password
Full name
eMail
Phone
Country

Login

Nick (login)
Password