LEXUS ES250 350 300H AVV60L-BEXGBW / ELECTRICAL / HV INVERTER

Toyota Land Cruiser genuine parts

Toyota - LEXUS genuine parts

HV INVERTER

(1206- )AVV60

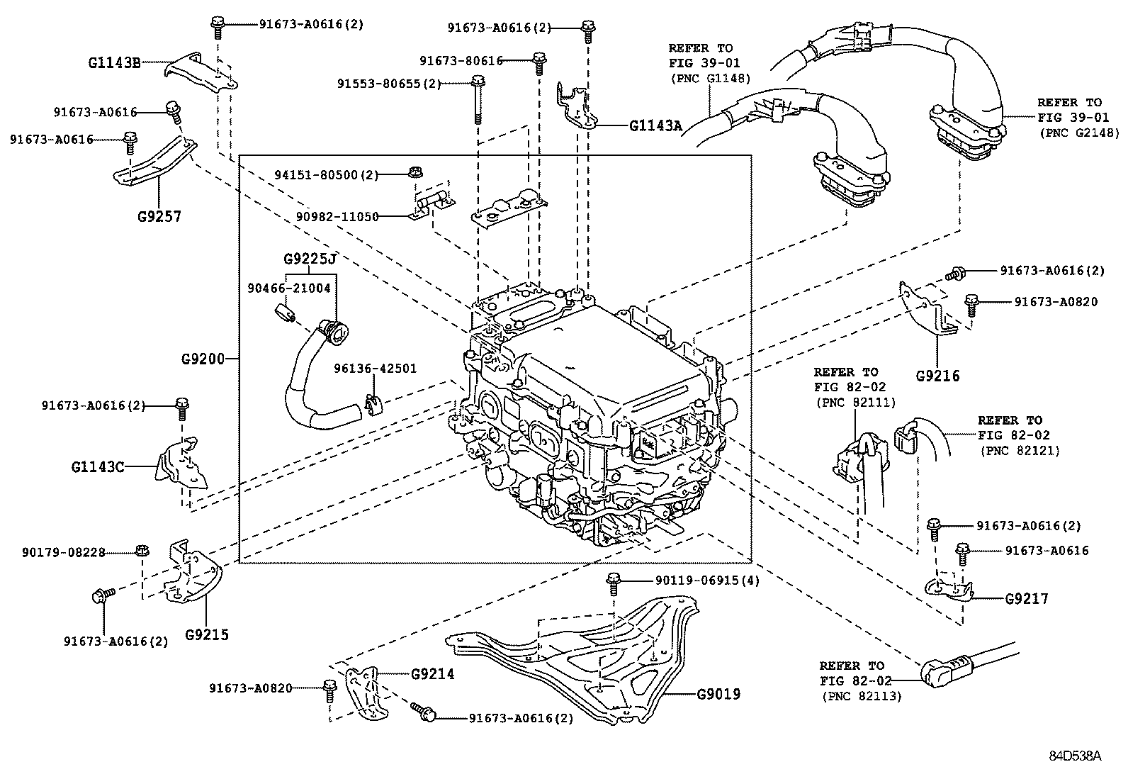
 ES250 350 300H |  HV INVERTER ** Refer Fig ** Refer Fig ** Refer Fig ** Refer Fig ** Refer Fig  ** Std Part  ** Std Part  ** Std Part  ** Std Part  ** Std Part  ** Std Part  ** Std Part  ** Std Part  ** Std Part  ** Std Part  ** Std Part  ** Std Part  ** Std Part  ** Std Part  ** Std Part  ** Std Part  ** Std Part  ** Std Part  ** Std Part  ** Std Part G1143A - BRACKET, MOTOR CABLE, NO.1 G1143B - BRACKET, MOTOR CABLE, NO.2 G1143C - BRACKET, MOTOR CABLE, NO.3 G9019 - BRACKET SUB-ASSY, INVERTER TRAY G9200 - INVERTER ASSY, W/CONVERTER G9214 - BRACKET, INVERTER, NO.1 G9215 - BRACKET, INVERTER, NO.2 G9216 - BRACKET, INVERTER, NO.3 G9217 - BRACKET, INVERTER, NO.4 G9225J - HOSE, INVERTER COOLING, NO.1 G9257 - BRACKET, INVERTER, NO.5

Register

Nick (login)
Password
Full name
eMail
Phone
Country

Login

Nick (login)
Password