LEXUS IS250 300H AVE30L-AEXEHW / ELECTRICAL / HV INVERTER

Toyota Land Cruiser genuine parts

Toyota - LEXUS genuine parts

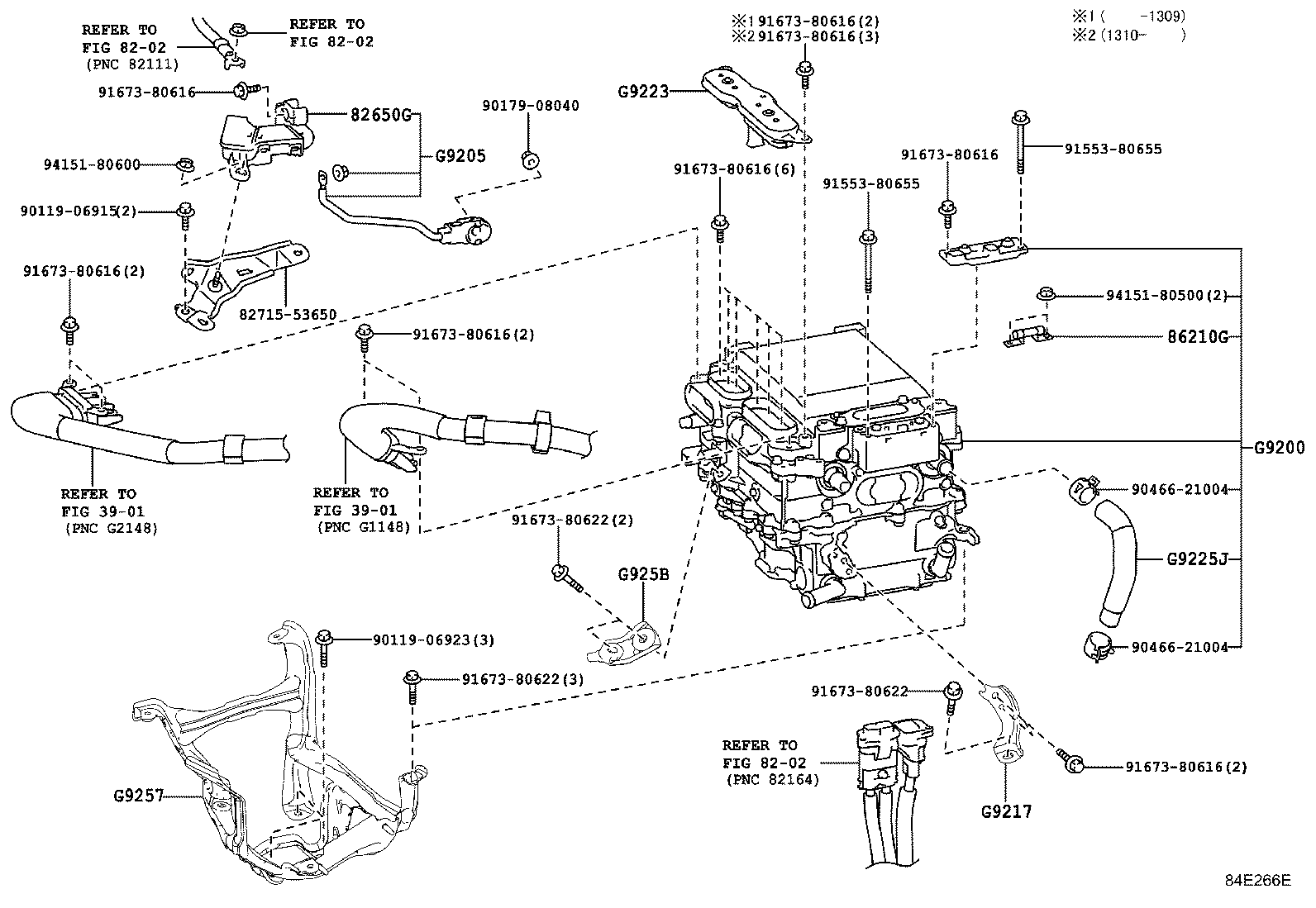
HV INVERTER

(1304- )AVE30..LHD

 IS250 300H |  HV INVERTER ** Refer Fig ** Refer Fig ** Refer Fig ** Refer Fig ** Refer Fig 82650G - BLOCK ASSY, TERMINAL  ** Std Part 86210G - FUSE, HIGH VOLTAGE  ** Std Part  ** Std Part  ** Std Part  ** Std Part  ** Std Part  ** Std Part  ** Std Part  ** Std Part  ** Std Part  ** Std Part  ** Std Part  ** Std Part  ** Std Part  ** Std Part  ** Std Part  ** Std Part  ** Std Part  ** Std Part  ** Std Part  ** Std Part G9200 - INVERTER ASSY, W/CONVERTER G9205 - PLATE SUB-ASSY, INVERTER BUS-BAR G9217 - BRACKET, INVERTER, NO.4 G9223 - COVER, INVERTER TERMINAL G9225J - HOSE, INVERTER COOLING, NO.1 G9257 - BRACKET, INVERTER, NO.5 G925B - BRACKET, INVERTER, NO.6

Register

Nick (login)
Password
Full name
eMail
Phone
Country

Login

Nick (login)
Password