TOYOTA SOLARA ACV20L-GCPNKA / ELECTRICAL / HEATING AIR CONDITIONING COOLER UNIT

Toyota Land Cruiser genuine parts

Toyota - LEXUS genuine parts

HEATING AIR CONDITIONING COOLER UNIT

MANUAL ILLUST NO. 1 OF 2(0107- )

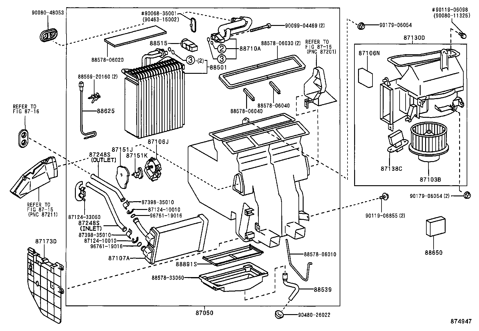
 SOLARA |  HEATING AIR CONDITIONING COOLER UNIT 87050 - RADIATOR ASSY, AIR CONDITIONER 87103B - MOTOR SUB-ASSY, BLOWER W/FAN 87106J - SERVO SUB-ASSY, DAMPER(FOR MODE) 87106N - SERVO SUB-ASSY, DAMPER(FOR RECIRCULATION) 87107A - UNIT SUB-ASSY, HEATER RADIATOR  ** Std Part  ** Std Part  ** Std Part 87130D - BLOWER ASSY 87138C - RESISTOR, BLOWER ** Refer Fig ** Refer Fig 87151J - PLATE, DAMPER NO.1 87151K - PLATE, DAMPER NO.2 ** Refer Fig 87173D - PROTECTOR HEATER 87248S - PIPE, FRONT HEATER RADIATOR WATER 87248S - PIPE, FRONT HEATER RADIATOR WATER  ** Std Part  ** Std Part 88501 - EVAPORATOR SUB-ASSY, COOLER, NO.1 88515 - VALVE, COOLER EXPANSION 88539 - HOSE, COOLER UNIT DRAIN, NO.1  ** Std Part  ** Std Part  ** Std Part  ** Std Part  ** Std Part  ** Std Part  ** Std Part 88625 - THERMISTOR, COOLER, NO.1 88650 - AMPLIFIER ASSY, COOLER STABILIZER 88710A - TUBE ASSY, AIRCONDITIONER 88891S - COVER, COOLER, NO.1  ** Std Part  ** Std Part  ** Std Part  ** Std Part  ** Std Part  ** Std Part  ** Std Part  ** Std Part  ** Std Part  ** Std Part  ** Std Part  ** Std Part

Register

Nick (login)
Password
Full name
eMail
Phone
Country

Login

Nick (login)
Password