TOYOTA VAN YR32LV-PRBEA / ELECTRICAL / HEATING AIR CONDITIONING HEATER UNIT BLOWER

Toyota Land Cruiser genuine parts

Toyota - LEXUS genuine parts

HEATING AIR CONDITIONING HEATER UNIT BLOWER

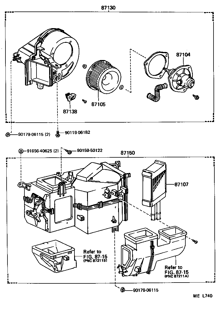
FRONT HEATER ILLUST NO. 1 OF 3(8808- )

 VAN |  HEATING AIR CONDITIONING HEATER UNIT BLOWER 87104 - MOTOR SUB-ASSY, HEATER BLOWER 87105 - FAN SUB-ASSY, HEATER BLOWER 87107 - UNIT SUB-ASSY, HEATER RADIATOR 87130 - BLOWER ASSY, HEATER, FRONT 87138 - RESISTOR, HEATER BLOWER ** Refer Fig ** Refer Fig 87150 - RADIATOR ASSY, HEATER  ** Std Part  ** Std Part  ** Std Part  ** Std Part  ** Std Part

Register

Nick (login)
Password
Full name
eMail
Phone
Country

Login

Nick (login)
Password