12/1984-12/1989
12/1984-08/1988
08/1985-12/1989
08/1985-08/1988
08/1986-12/1989
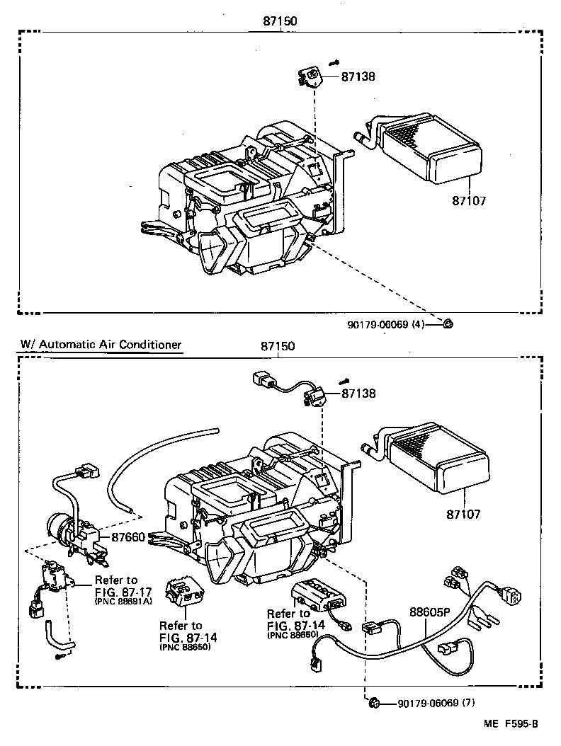
ILLUST NO. 1 OF 2(8412-8608)
90179-060699017906069