TOYOTA CROWN HYBRID AWS210-AEXQH / ELECTRICAL / HV INVERTER

Toyota Land Cruiser genuine parts

Toyota - LEXUS genuine parts

HV INVERTER

(1212- )AWS210,GWS214

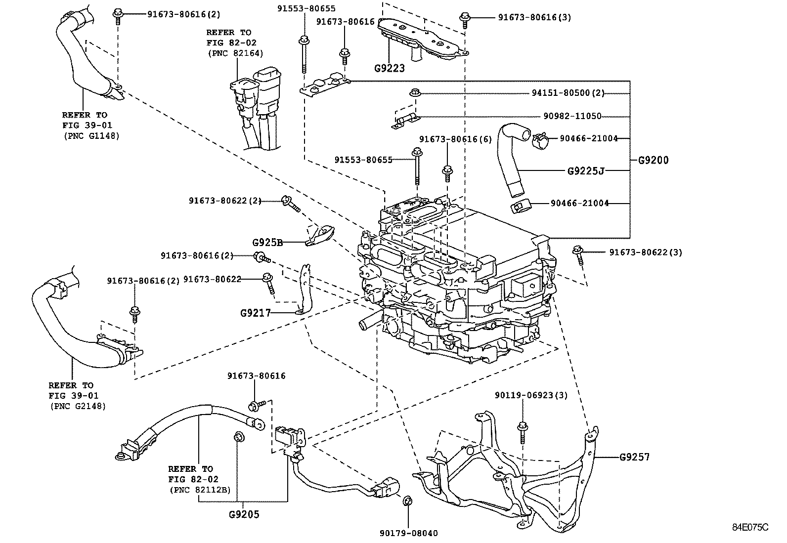
 CROWN HYBRID |  HV INVERTER ** Refer Fig ** Refer Fig ** Refer Fig ** Refer Fig  ** Std Part  ** Std Part  ** Std Part  ** Std Part  ** Std Part  ** Std Part  ** Std Part  ** Std Part  ** Std Part  ** Std Part  ** Std Part  ** Std Part  ** Std Part  ** Std Part  ** Std Part  ** Std Part  ** Std Part  ** Std Part G9200 - INVERTER ASSY, W/CONVERTER G9205 - PLATE SUB-ASSY, INVERTER BUS-BAR G9217 - BRACKET, INVERTER, NO.4 G9223 - COVER, INVERTER TERMINAL G9225J - HOSE, INVERTER COOLING, NO.1 G9257 - BRACKET, INVERTER, NO.5 G925B - BRACKET, INVERTER, NO.6

Register

Nick (login)
Password
Full name
eMail
Phone
Country

Login

Nick (login)
Password