TOYOTA DYNA TOYOACE XZC600-TPMLA / POWERTRAIN-CHASSIS / CLUTCH HOUSING TRANSMISSION CASE MTM

Toyota Land Cruiser genuine parts

Toyota - LEXUS genuine parts

CLUTCH HOUSING TRANSMISSION CASE MTM

M550 (1107- )XZC60#,645,655,XZU60#,64#,65#..5F

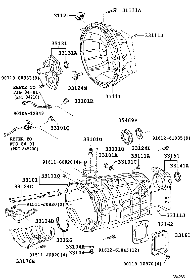
 DYNA TOYOACE |  CLUTCH HOUSING TRANSMISSION CASE MTM 31111 - HOUSING, CLUTCH 31111A - BOLT(FOR CLUTCH HOUSING & TRANSMISSION CASE SETTING) 31121 - COVER, CLUTCH HOUSING, NO.1 33101 - CASE SUB-ASSY, MANUAL TRANSMISSION 33101A - PLUG(FOR MANUAL TRANSMISSION FILLER) 33101C - GASKET(FOR MANUAL TRANSMISSION FILLER PLUG) 33101Q - PLUG, NO.1(FOR TRANSMISSION CASE) 33101R - PLUG, NO.2(FOR TRANSMISSION CASE) 33101U - PLUG, BREATHER(FOR MANUAL TRANSMISSION) 33104 - PLUG SUB-ASSY, DRAIN(MTM) 33104A - GASKET, DRAIN PLUG(MTM) 33111A - PLUG, MANUAL TRANSMISSION CASE 33111J - PIN, STRAIGHT(FOR MANUAL TRANSMISSION CASE) 33111J - PIN, STRAIGHT(FOR MANUAL TRANSMISSION CASE) 33111Q - SEAL, OIL(FOR TRANSMISSION CASE) 33111U - PIN, RING(FOR MANUAL TRANSMISSION CASE) 33124C - PIPE, OIL RECEIVER, NO.1(MTM) 33124D - PIPE, OIL RECEIVER, NO.2(MTM) 33124L - PIPE, OIL RECEIVER, N0.3(MTM) 33124M - PIPE, OIL RECEIVER, N0.4(MTM) 33126 - SEAL, OIL RECEIVER 33131 - RETAINER, BEARING, FRONT(MTM) 33131A - SEAL, OIL(FOR TRANSMISSION FRONT BEARING RETAINER) 33141A - SEAL, OIL(FOR TRANSMISSION REAR BEARING RETAINER) 33151 - RETAINER, OUTPUT SHAFT REAR BEARING(MTM) 33161 - COVER, MANUAL TRANSMISSION POWER TAKE-OFF 33162 - GASKET, MANUAL TRANSMISSION POWER TAKE-OFF COVER 33176B - SEPARATOR, TRANSMISSION OIL(MTM) 35469P - SPACER (FOR TRANSMISSION REAR RETAINER) ** Refer Fig ** Refer Fig  ** Std Part  ** Std Part  ** Std Part  ** Std Part  ** Std Part  ** Std Part  ** Std Part  ** Std Part

Register

Nick (login)
Password
Full name
eMail
Phone
Country

Login

Nick (login)
Password