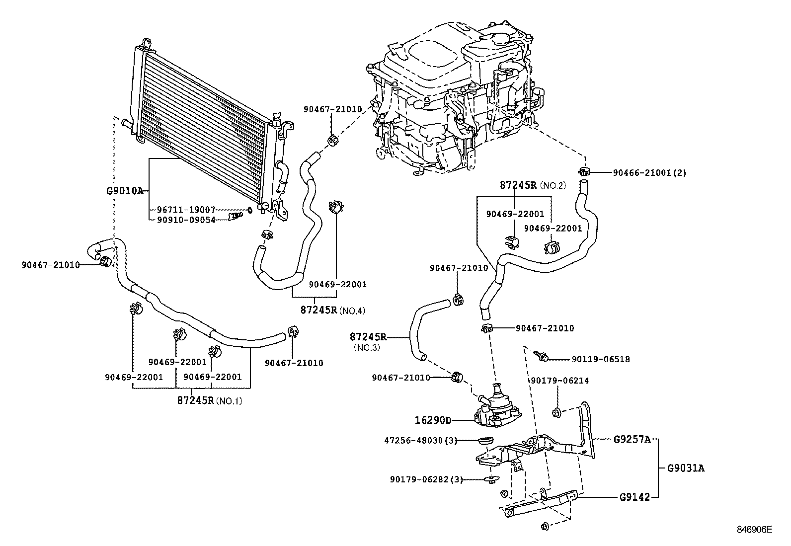
TOYOTA KLUGER HV MHU28W-BRXGK / ELECTRICAL / INVERTER COOLING

Toyota Land Cruiser genuine parts

Toyota - LEXUS genuine parts

INVERTER COOLING

(0503- )

 KLUGER HV |  INVERTER COOLING 16290D - PUMP ASSY, WATER W/MOTOR  ** Std Part 87245R - HOSE, WATER 87245R - HOSE, WATER 87245R - HOSE, WATER 87245R - HOSE, WATER  ** Std Part  ** Std Part  ** Std Part  ** Std Part  ** Std Part  ** Std Part  ** Std Part  ** Std Part  ** Std Part  ** Std Part  ** Std Part  ** Std Part  ** Std Part  ** Std Part  ** Std Part  ** Std Part  ** Std Part  ** Std Part G9010A - RADIATOR  ASSY G9031A - BRACKET SUB-ASSY, HV WATER PUMP G9142 - BRACKET, HYBRID WATER PUMP, NO.2 G9257A - BRACKET, INVERTER, NO.5

Register

Nick (login)
Password
Full name
eMail
Phone
Country

Login

Nick (login)
Password