TOYOTA ALPHARD HV ATH10W-PFXGB / ELECTRICAL / HEATING AIR CONDITIONING COOLER UNIT

Toyota Land Cruiser genuine parts

Toyota - LEXUS genuine parts

HEATING AIR CONDITIONING COOLER UNIT

フロント,カンレイチ シヨウ ILLUST NO. 1 OF 3(0307- )

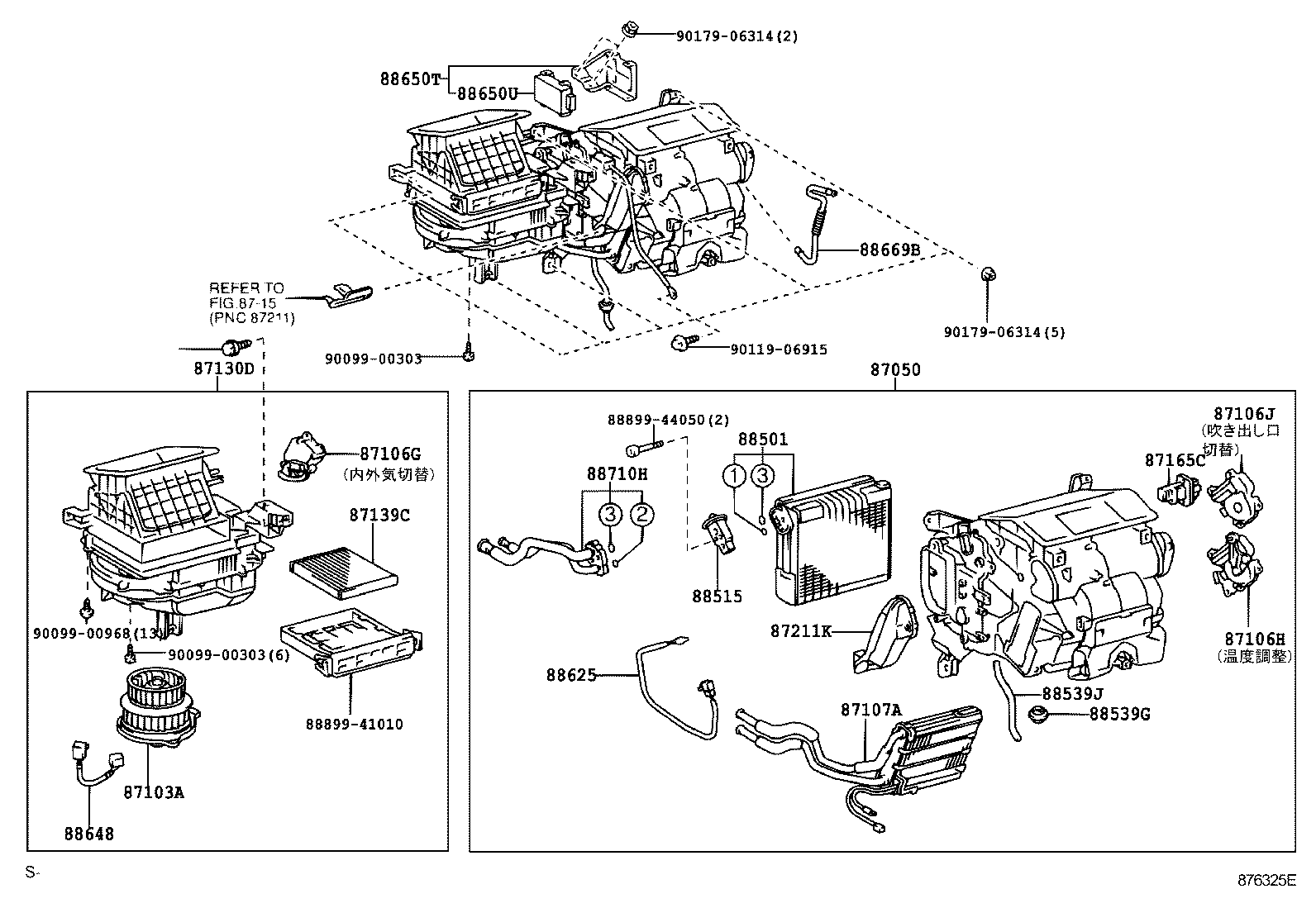
 ALPHARD HV |  HEATING AIR CONDITIONING COOLER UNIT 87050 - RADIATOR ASSY, AIR CONDITIONER 87103A - MOTOR SUB-ASSY, COOLING UNIT, W/FAN 87106G - SERVO SUB-ASSY, DAMPER(FOR BLOWER) 87106H - SERVO SUB-ASSY, DAMPER(FOR AIRMIX) 87106J - SERVO SUB-ASSY, DAMPER(FOR MODE) 87107A - UNIT SUB-ASSY, HEATER RADIATOR 87130D - BLOWER ASSY 87139C - FILTER, CLEAN AIR 87165C - CONTROL, BLOWER MOTOR 87211K - DUCT, AIR 88501 - EVAPORATOR SUB-ASSY, COOLER, NO.1 88515 - VALVE, COOLER EXPANSION 88539G - GROMMET (FOR COOLER UNIT DRAIN HOSE) 88539J - HOSE, DRAIN COOLER 88625 - THERMISTOR, COOLER, NO.1 88648 - WIRING, COOLER, NO.1 88650T - AMPLIFIER ASSY, AIR CONDITIONER (FOR 2-WAY COMPRESSOR) 88650U - INVERTER ASSY, AIR CONDITIONER 88669B - HOSE, COOLER AIR 88710H - TUBE & ACCESSORY ASSY, AIRCONDITIONER  ** Std Part  ** Std Part  ** Std Part  ** Std Part  ** Std Part  ** Std Part  ** Std Part  ** Std Part

Register

Nick (login)
Password
Full name
eMail
Phone
Country

Login

Nick (login)
Password