Toyota/Lexus
2014
electronic parts catalog
Register / Login
News
Used/new parts
Used/new cars
TOYOTA HIACE TRUCK LH80-MD3
/
ELECTRICAL
/ HEATING AIR CONDITIONING SET
Toyota Land Cruiser genuine parts
OK
EU
GR
JP
US
All region
OK
TOYOTA
JAPAN
1995
HIACE TRUCK
LH8
LH80-MD3
Register user » Add to My Cars
TOYOTA
LEXUS
Europe
North Amerika
Japan
General
2014
2013
2012
2011
2010
2009
2008
2007
2006
2005
2004
2003
2002
2001
2000
1999
1998
1997
1996
1995
1994
1993
1992
1991
1990
1989
1988
1987
1986
1985
1984
1983
1982
1981
1980
1979
1978
1977
1976
1975
1974
1973
1972
1971
1970
1969
ARISTO
AVALON
CALDINA
CAMRY/VISTA
CARINA ED
CARINA FF
CELICA
CELSIOR
CENTURY
CHASER
COASTER
COROLLA
COROLLA 2
CORONA
CORONA EXIV
CORSA/TERCEL
CRESTA
CROWN
CROWN COMFORT/SED
CROWN/CROWN MAJESTA
CURREN
CYNOS
DELIBOY
DYNA 150/TOYOACE G15
DYNA 200/TOYOACE G25
DYNA/TOYOACE
DYNA/TOYOACE QUICK
ESTIMA
ESTIMA EMINA/LUCIDA
GRANVIA/GRAND HIACE
HIACE QUICK DELIVERY
HIACE TRUCK
HIACE/REGIUSACE
HILUX
HILUX SURF
LAND CRUISER S/T,H/T
LAND CRUISER VAN
LEVIN/TRUENO
LITE/TOWNACE TRUCK
LITE/TOWNACE V,WG
LVN/CRE/TRN/MRN
MARK 2
MARK 2 V,WG
MR2
QUICK DELIVERY
RAV4
SCEPTER (SED)
SCEPTER (WG,CP)
SERA
SOARER
SPRINTER
SPRINTER CARIB
STARLET
SUPRA
TOYOACE/DYNA
WINDOM
LH80
2L - 2400CC DIESEL
LH85
2L - 2400CC DIESEL
LH90
2L - 2400CC DIESEL
LH95
2L - 2400CC DIESEL
LY101
3L - 2800CC DIESEL
LY111
3L - 2800CC DIESEL
LY151
3L - 2800CC DIESEL
LY161
3L - 2800CC DIESEL
YH81
2Y - 1800CC
YY101
3Y - 2000CC
Toyota - LEXUS genuine parts
Tool / Engine / Fuel
Powertrain / Chassis
Body
Electrical
page 1
page 2
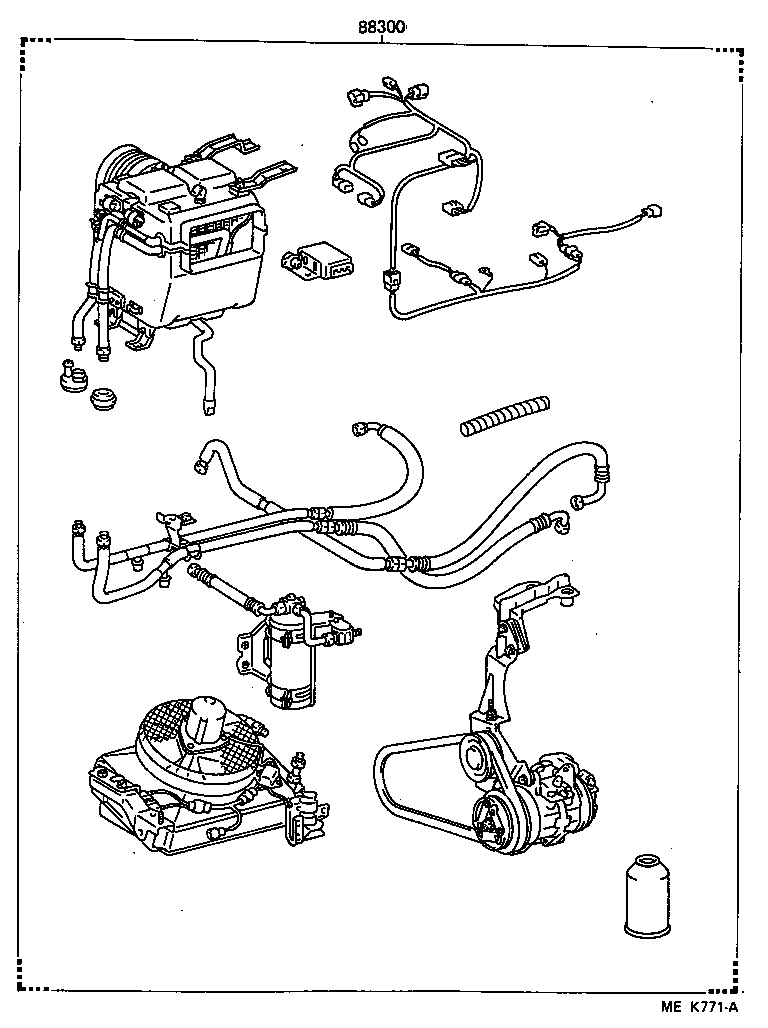
HEATING AIR CONDITIONING SET
W/TRUCK FREZZER (8708- )LH80..IV
Register
Nick (login)
Password
Full name
eMail
Phone
Country
country...
Afghanistan
Albania
Algeria
Andorra
Angola
Antarctica
Antigua and Barbuda
Argentina
Armenia
Australia
Austria
Azerbaijan
Bahamas
Bahrain
Bangladesh
Barbados
Belarus
Belgium
Belize
Benin
Bermuda
Bhutan
Bolivia
Bosnia and Herzegovina
Botswana
Brazil
Brunei
Bulgaria
Burkina Faso
Burma
Burundi
Cambodia
Cameroon
Canada
Cape Verde
Central African Republic
Chad
Chile
China
Colombia
Comoros
Congo, Democratic Republic
Congo, Republic of the
Costa Rica
Cote d´Ivoire
Croatia
Cuba
Cyprus
Czech Republic
Denmark
Djibouti
Dominica
Dominican Republic
East Timor
Ecuador
Egypt
El Salvador
Equatorial Guinea
Eritrea
Estonia
Ethiopia
Fiji
Finland
France
Gabon
Gambia
Georgia
Germany
Ghana
Greece
Greenland
Grenada
Guatemala
Guinea
Guinea-Bissau
Guyana
Haiti
Honduras
Hong Kong
Hungary
Iceland
India
Indonesia
Iran
Iraq
Ireland
Israel
Italy
Jamaica
Japan
Jordan
Kazakhstan
Kenya
Kiribati
Korea, North
Korea, South
Kuwait
Kyrgyzstan
Laos
Latvia
Lebanon
Lesotho
Liberia
Libya
Liechtenstein
Lithuania
Luxembourg
Macedonia
Madagascar
Malawi
Malaysia
Maldives
Mali
Malta
Marshall Islands
Mauritania
Mauritius
Mexico
Micronesia
Moldova
Mongolia
Morocco
Monaco
Mozambique
Namibia
Nauru
Nepal
Netherlands
New Zealand
Nicaragua
Niger
Nigeria
Norway
Oman
Pakistan
Panama
Papua New Guinea
Paraguay
Peru
Philippines
Poland
Portugal
Qatar
Romania
Russia
Rwanda
Samoa
San Marino
Sao Tome
Saudi Arabia
Senegal
Serbia and Montenegro
Seychelles
Sierra Leone
Singapore
Slovakia
Slovenia
Solomon Islands
Somalia
South Africa
Spain
Sri Lanka
Sudan
Suriname
Swaziland
Sweden
Switzerland
Syria
Taiwan
Tajikistan
Tanzania
Thailand
Togo
Tonga
Trinidad and Tobago
Tunisia
Turkey
Turkmenistan
Uganda
Ukraine
United Arab Emirates
United Kingdom
United States
Uruguay
Uzbekistan
Vanuatu
Venezuela
Vietnam
Yemen
Zambia
Zimbabwe
Other....
Login
Nick (login)
Password