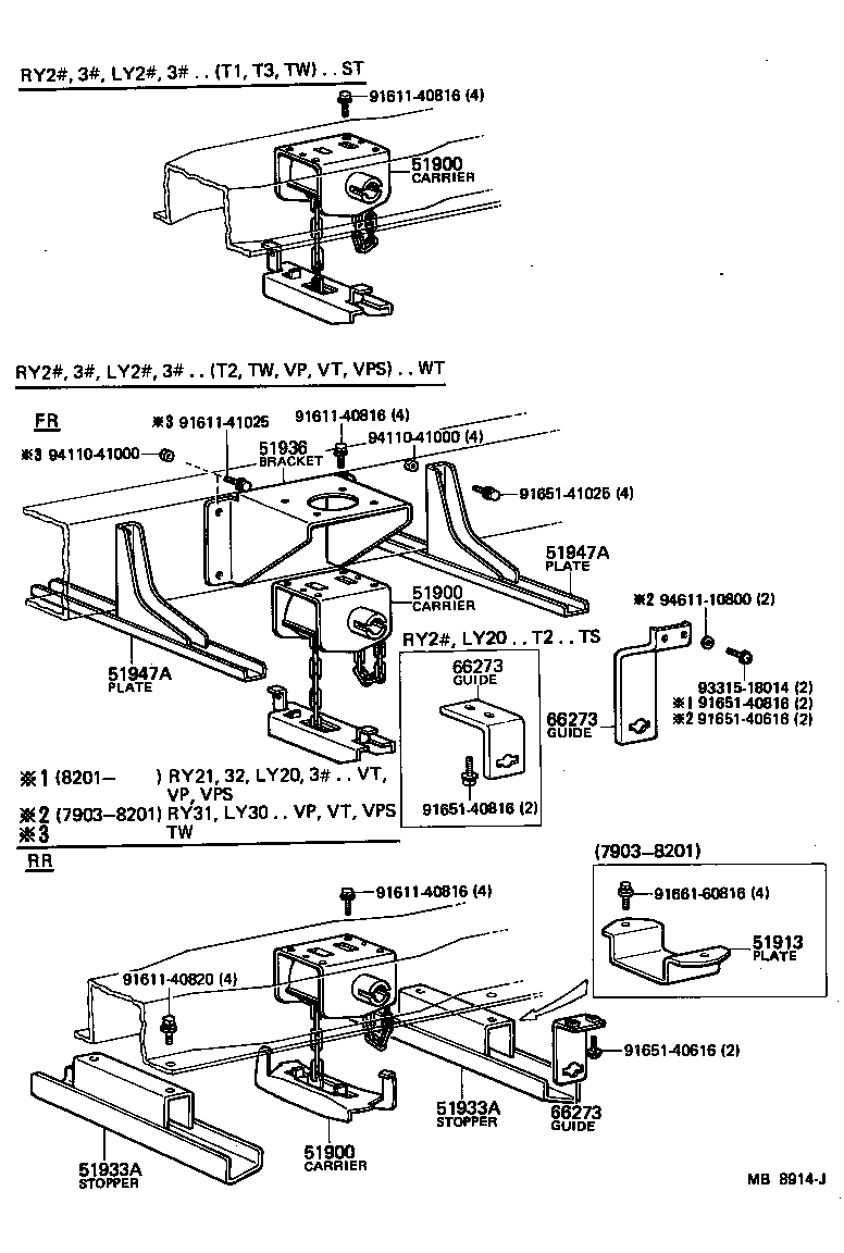
TOYOTA TOYOACE RY32-JD / BODY / SPARE WHEEL CARRIER

Toyota Land Cruiser genuine parts

Toyota - LEXUS genuine parts

SPARE WHEEL CARRIER

(7903- )LY2#,3#,RY2#,3#

 TOYOACE |  SPARE WHEEL CARRIER 51900 - CARRIER ASSY, SPARE WHEEL 51900 - CARRIER ASSY, SPARE WHEEL 51900 - CARRIER ASSY, SPARE WHEEL 51913 - PLATE, SPARE WHEEL CLAMP 51933A - STOPPER, SPARE WHEEL, NO.1 51933A - STOPPER, SPARE WHEEL, NO.1 51936 - BRACKET, SPARE WHEEL CARRIER 51947A - PLATE, SPARE WHEEL CARRIER HINGE 51947A - PLATE, SPARE WHEEL CARRIER HINGE 66273 - GUIDE, SPARE TIRE CARRIER 66273 - GUIDE, SPARE TIRE CARRIER 66273 - GUIDE, SPARE TIRE CARRIER  ** Std Part  ** Std Part  ** Std Part  ** Std Part  ** Std Part  ** Std Part  ** Std Part  ** Std Part  ** Std Part  ** Std Part  ** Std Part  ** Std Part  ** Std Part  ** Std Part  ** Std Part

Register

Nick (login)
Password
Full name
eMail
Phone
Country

Login

Nick (login)
Password