TOYOTA CELICA SA63R-BLMQCQ / TOOL-ENGINE-FUEL / DISTRIBUTOR

Toyota Land Cruiser genuine parts

Toyota - LEXUS genuine parts

DISTRIBUTOR

(8308-8408)2SC

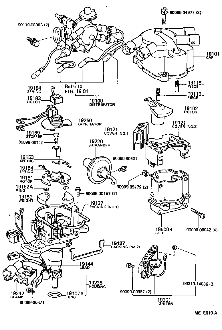
 CELICA |  DISTRIBUTOR ** Refer Fig 19100 - DISTRIBUTOR ASSY 19101 - CAP SUB-ASSY, DISTRIBUTOR 19102 - ROTOR SUB-ASSY, DISTRIBUTOR 19107A - RING, O, DISTRIBUTOR HOUSING 19115 - PIECE, DISTRIBUTOR CAP, CENTER 19115 - PIECE, DISTRIBUTOR CAP, CENTER 19121 - COVER, DUST PROOF 19121 - COVER, DUST PROOF 19127 - PACKING, DUST PROOF 19127 - PACKING, DUST PROOF 19144 - LEAD, DISTRIBUTOR BREAKER 19152 - WEIGHT, GOVERNOR 19152A - RING, SNAP(FOR GOVERNOR WEIGHT) 19153 - SPRING, GOVERNOR, A 19154 - SPRING, GOVERNOR, B 19169 - STOPPER, CAM GREASE 19181 - ROTOR, DISTRIBUTOR, SIGNAL 19183 - ROTOR, SIGNAL 19184 - SPRING, ROTOR SET 19201 - IGNITER 19220 - ADVANCER ASSY, VACUUM, DISTRIBUTOR 19235 - HOUSING, DISTRIBUTOR 19242 - CLAMP, CORD 19250 - GENERATOR ASSY, SIGNAL 19500B - COIL ASSY, IGNITION  ** Std Part  ** Std Part  ** Std Part  ** Std Part  ** Std Part  ** Std Part  ** Std Part  ** Std Part  ** Std Part  ** Std Part

Register

Nick (login)
Password
Full name
eMail
Phone
Country

Login

Nick (login)
Password