TOYOTA CELICA MA61R-BLMQFW / TOOL-ENGINE-FUEL / RADIATOR WATER OUTLET

Toyota Land Cruiser genuine parts

Toyota - LEXUS genuine parts

RADIATOR WATER OUTLET

(8112- )5MGE

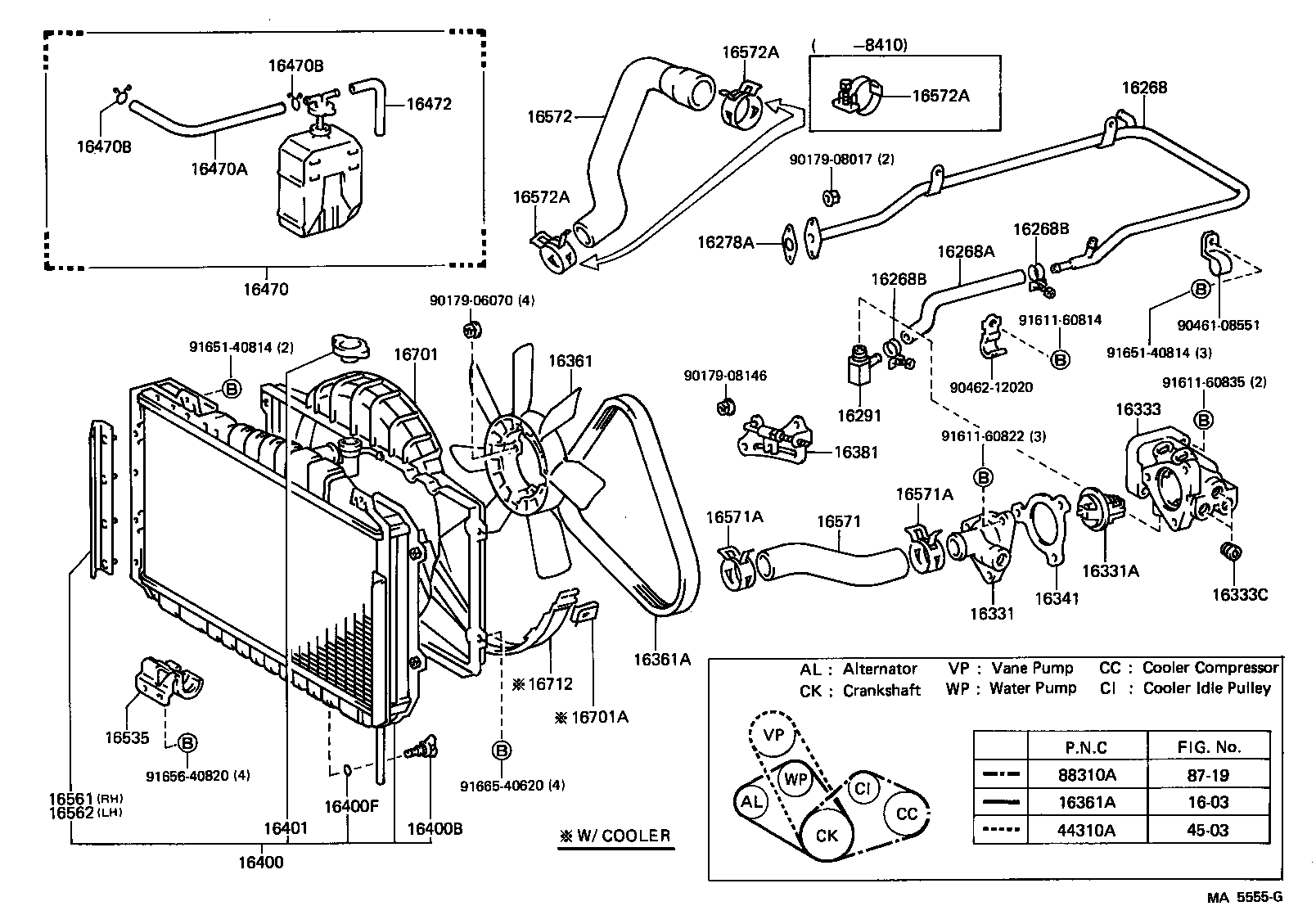
 CELICA |  RADIATOR WATER OUTLET ** Refer Fig 16268 - PIPE, WATER BY-PASS, NO.1 16268A - HOSE(FOR WATER BY-PASS PIPE) 16268B - CLAMP OR CLIP, HOSE(FOR WATER BY-PASS PIPE) 16268B - CLAMP OR CLIP, HOSE(FOR WATER BY-PASS PIPE) 16278A - GASKET, WATER BY-PASS 16291 - JOINT, WATER HOSE 16331 - OUTLET, WATER 16331A - THERMOSTAT 16333 - HOUSING, WATER OUTLET 16333C - PLUG, W/HEAD TAPER SCREW 16341 - GASKET, WATER OUTLET 16361 - FAN 16361A - BELT, V(FOR FAN & ALTERNATOR) 16361A - BELT, V(FOR FAN & ALTERNATOR) 16381 - BAR, FAN BELT ADJUSTING 16400 - RADIATOR ASSY 16400B - PLUG, RADIATOR DRAIN COCK 16400F - PACKING(FOR RADIATOR DRAIN COCK) 16401 - CAP SUB-ASSY, RADIATOR 16470 - TANK ASSY, RADIATOR RESERVE 16470A - HOSE OR PIPE(FOR RADIATOR RESERVE TANK) 16470B - CLAMP OR CLIP(FOR RADIATOR RESERVE TANK HOSE) 16470B - CLAMP OR CLIP(FOR RADIATOR RESERVE TANK HOSE) 16472 - HOSE, BREATHER 16535 - SUPPORT, RADIATOR, LOWER 16561 - SEAL, RADIATOR TO SUPPORT, NO.1 16562 - SEAL, RADIATOR TO SUPPORT, NO.2 16571 - HOSE, RADIATOR, INLET 16571A - CLAMP OR CLIP, HOSE(FOR RADIATOR INLET) 16571A - CLAMP OR CLIP, HOSE(FOR RADIATOR INLET) 16572 - HOSE, RADIATOR, OUTLET 16572A - CLAMP OR CLIP, HOSE(FOR RADIATOR OUTLET NO.1) 16572A - CLAMP OR CLIP, HOSE(FOR RADIATOR OUTLET NO.1) 16572A - CLAMP OR CLIP, HOSE(FOR RADIATOR OUTLET NO.1) 16701 - SHROUD SUB-ASSY, FAN 16701A - CLIP(FOR FAN SHROUD) 16712 - SHROUD, FAN, NO.2 44310A - BELT, V(FOR VANE PUMP) ** Refer Fig ** Refer Fig 88310A - BELT, V (COOLER COMPRESSOR TO CRANKSHAFT PULLEY), NO.1  ** Std Part  ** Std Part  ** Std Part  ** Std Part  ** Std Part  ** Std Part  ** Std Part  ** Std Part  ** Std Part  ** Std Part  ** Std Part  ** Std Part

Register

Nick (login)
Password
Full name
eMail
Phone
Country

Login

Nick (login)
Password