TOYOTA CELICA MA61L-BLPQF / ELECTRICAL / HEATING AIR CONDITIONING COOLER PIPING

Toyota Land Cruiser genuine parts

Toyota - LEXUS genuine parts

HEATING AIR CONDITIONING COOLER PIPING

(8112- )MA61

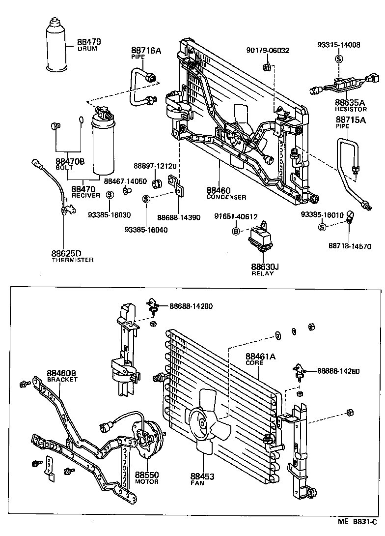
 CELICA |  HEATING AIR CONDITIONING COOLER PIPING 88453 - FAN, COOLING (FOR CONDENSER) 88460 - CONDENSER ASSY, COOLER 88460B - BRACKET, COOLER CONDENSER, NO.1 88461A - CORE, COOLER CONDENSER  ** Std Part 88470 - RECEIVER & DRYER ASSY, COOLER 88470B - BOLT, FUSE 88479 - FREON GAS, AIR CONDITIONER (DRUM, COOLER REFRIGERANT) 88550 - MOTOR ASSY, BLOWER (FOR CONDENSER) 88625D - THERMISTOR, COOLER 88630J - RELAY ASSY (FOR CONDENSER MOTOR) 88635A - RESISTOR, BLOWER (FOR COOLER CONDENSER MOTOR)  ** Std Part  ** Std Part  ** Std Part 88715A - PIPE, COOLER REFRIGERANT DISCHARGE, A 88716A - PIPE, COOLER REFRIGERANT LIQUID, A  ** Std Part  ** Std Part  ** Std Part  ** Std Part  ** Std Part  ** Std Part  ** Std Part  ** Std Part

Register

Nick (login)
Password
Full name
eMail
Phone
Country

Login

Nick (login)
Password