TOYOTA TERCEL AL11R-ZGKDS / ELECTRICAL / HEATING AIR CONDITIONING COOLER UNIT

Toyota Land Cruiser genuine parts

Toyota - LEXUS genuine parts

HEATING AIR CONDITIONING COOLER UNIT

(7901- )RHD

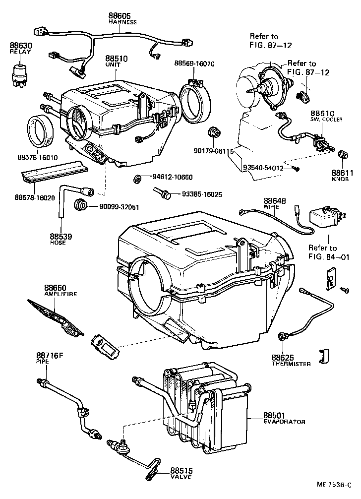
 TERCEL |  HEATING AIR CONDITIONING COOLER UNIT ** Refer Fig ** Refer Fig ** Refer Fig 88501 - EVAPORATOR SUB-ASSY, COOLER, NO.1 88510 - UNIT ASSY, COOLER 88515 - VALVE, COOLER EXPANSION 88539 - HOSE, COOLER UNIT DRAIN, NO.1  ** Std Part  ** Std Part  ** Std Part 88605 - HARNESS SUB-ASSY, COOLER WIRING, NO.1 88610 - SWITCH ASSY, COOLER CONTROL 88611 - KNOB, COOLER CONTROL SWITCH 88625 - THERMISTOR, COOLER, NO.1 88630 - RELAY ASSY, COOLER 88648 - WIRING, COOLER, NO.1 88650 - AMPLIFIER ASSY, COOLER STABILIZER 88716F - PIPE, COOLER REFRIGERANT LIQUID, F  ** Std Part  ** Std Part  ** Std Part  ** Std Part  ** Std Part

Register

Nick (login)
Password
Full name
eMail
Phone
Country

Login

Nick (login)
Password