TOYOTA CROWN MS112R-SEMGS / ELECTRICAL / METER

Toyota Land Cruiser genuine parts

Toyota - LEXUS genuine parts

METER

(8108- )

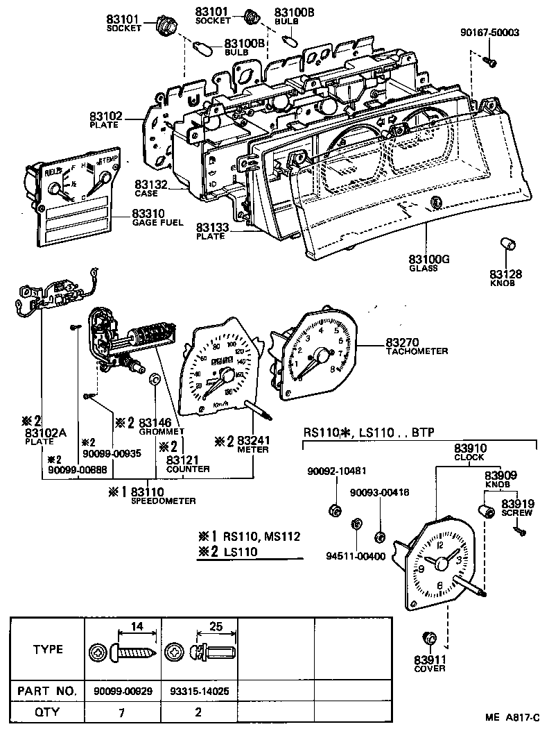
 CROWN |  METER 83100B - BULB, COMBINATION METER, NO.1 83100B - BULB, COMBINATION METER, NO.1 83100G - GLASS, COMBINATION METER 83101 - SOCKET SUB-ASSY, COMBINATION METER BULB 83101 - SOCKET SUB-ASSY, COMBINATION METER BULB 83102 - PLATE SUB-ASSY, COMBINATION METER CIRCUIT, NO.1 83102A - PLATE SUB-ASSY, SPEEDOMETER CIRCUIT 83110 - SPEEDOMETER ASSY 83121 - COUNTER, TOTAL 83128 - KNOB, TRIP COUNTER 83132 - CASE, COMBINATION METER 83133 - PLATE, COMBINATION METER, NO.1 83146 - GROMMET, METER GLASS 83241 - METER SUB-ASSY, SPEED 83270 - TACHOMETER ASSY, ENGINE 83310 - GAGE ASSY, FUEL RECEIVER 83909 - KNOB, CLOCK 83910 - CLOCK ASSY 83911 - COVER, CLOCK 83919 - SCREW, CLOCK  ** Std Part  ** Std Part  ** Std Part  ** Std Part  ** Std Part  ** Std Part  ** Std Part  ** Std Part

Register

Nick (login)
Password
Full name
eMail
Phone
Country

Login

Nick (login)
Password