TOYOTA CRESSIDA RX62RG-XWHDSN / TOOL-ENGINE-FUEL / RADIATOR WATER OUTLET

Toyota Land Cruiser genuine parts

Toyota - LEXUS genuine parts

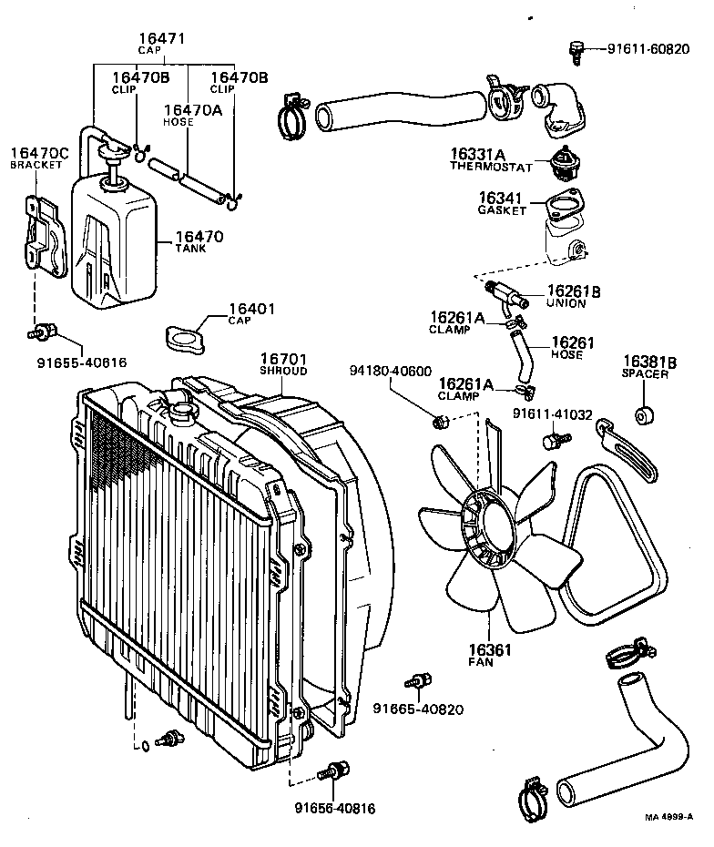
RADIATOR WATER OUTLET

(8107-8208)18R

 CRESSIDA |  RADIATOR WATER OUTLET 16261 - HOSE, WATER BY-PASS 16261A - CLAMP OR CLIP, HOSE(FOR WATER BY-PASS HOSE) 16261A - CLAMP OR CLIP, HOSE(FOR WATER BY-PASS HOSE) 16261B - UNION(FOR WATER BY-PASS HOSE) 16331A - THERMOSTAT 16341 - GASKET, WATER OUTLET 16361 - FAN 16381B - SPACER, FAN BELT ADJUSTING BAR 16401 - CAP SUB-ASSY, RADIATOR 16470 - TANK ASSY, RADIATOR RESERVE 16470A - HOSE OR PIPE(FOR RADIATOR RESERVE TANK) 16470B - CLAMP OR CLIP(FOR RADIATOR RESERVE TANK HOSE) 16470B - CLAMP OR CLIP(FOR RADIATOR RESERVE TANK HOSE) 16470C - BRACKET(FOR RADIATOR RESERVE TANK) 16471 - CAP SUB-ASSY, RESERVE TANK 16701 - SHROUD SUB-ASSY, FAN  ** Std Part  ** Std Part  ** Std Part  ** Std Part  ** Std Part  ** Std Part

Register

Nick (login)
Password
Full name
eMail
Phone
Country

Login

Nick (login)
Password