TOYOTA CELICA RA63L-BLMQG / TOOL-ENGINE-FUEL / AIR CLEANER

Toyota Land Cruiser genuine parts

Toyota - LEXUS genuine parts

AIR CLEANER

(8108-8308)18RG

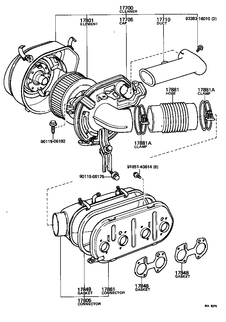
 CELICA |  AIR CLEANER 17700 - CLEANER ASSY, AIR 17705 - CAP SUB-ASSY, AIR CLEANER 17710 - DUCT SUB-ASSY, AIR CLEANER INLET, NO.1 17801 - ELEMENT SUB-ASSY, AIR CLEANER FILTER 17805 - CONNECTOR SUB-ASSY, INTAKE AIR 17848 - GASKET, AIR CLEANER TO CARBURETOR 17848 - GASKET, AIR CLEANER TO CARBURETOR 17849 - GASKET, INTAKE AIR CONNECTOR 17861 - CONNECTOR, INTAKE AIR 17881 - HOSE, AIR CLEANER, NO.1 17881A - CLAMP(FOR AIR CLEANER HOSE, NO.1) 17881A - CLAMP(FOR AIR CLEANER HOSE, NO.1)  ** Std Part  ** Std Part  ** Std Part  ** Std Part

Register

Nick (login)
Password
Full name
eMail
Phone
Country

Login

Nick (login)
Password