TOYOTA DYNA JU20LHV-QRBW / TOOL-ENGINE-FUEL / STARTER

Toyota Land Cruiser genuine parts

Toyota - LEXUS genuine parts

STARTER

(7708-7904)2J

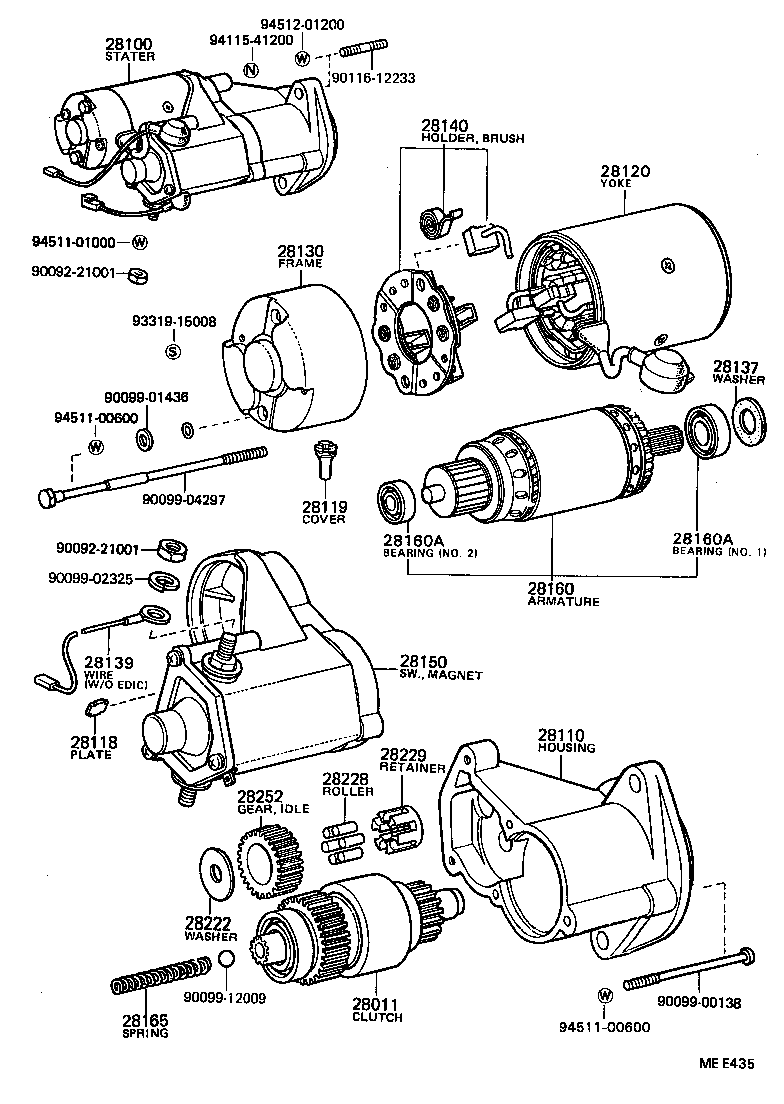
 DYNA |  STARTER 28011 - CLUTCH SUB-ASSY, STARTER 28100 - STARTER ASSY 28110 - HOUSING ASSY, STARTER DRIVE 28118 - PLATE(FOR STARTER YOKE) 28119 - COVER, STARTER END FRAME 28120 - YOKE ASSY, STARTER 28130 - FRAME ASSY, STARTER COMMUTATOR END 28137 - WASHER, FELT, STARTER 28139 - WIRE, LEAD, NO.1(FOR STARTER) 28140 - HOLDER ASSY, STARTER BRUSH 28150 - SWITCH ASSY, MAGNET STARTER 28160 - ARMATURE ASSY, STARTER 28160A - BEARING, STARTER ARMATURE 28160A - BEARING, STARTER ARMATURE 28165 - SPRING, STARTER MAGNET SWITCH RETURN 28222 - WASHER, STARTER IDLE GEAR CLUTCH 28228 - ROLLER, STARTER IDLE GEAR CLUTCH 28229 - RETAINER, STARTER IDLE GEAR 28252 - GEAR, STARTER IDLE  ** Std Part  ** Std Part  ** Std Part  ** Std Part  ** Std Part  ** Std Part  ** Std Part  ** Std Part  ** Std Part  ** Std Part  ** Std Part  ** Std Part  ** Std Part  ** Std Part

Register

Nick (login)
Password
Full name
eMail
Phone
Country

Login

Nick (login)
Password