TOYOTA COASTER BB10R-MDER / TOOL-ENGINE-FUEL / VACUUM PUMP

Toyota Land Cruiser genuine parts

Toyota - LEXUS genuine parts

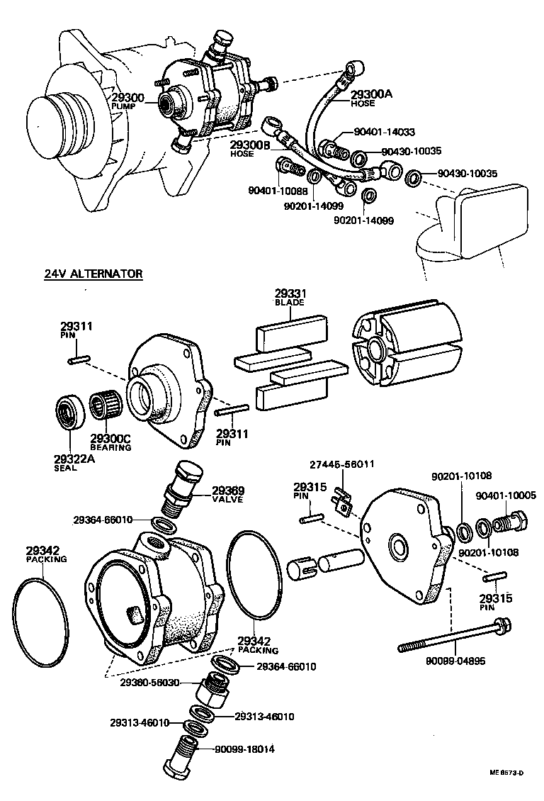
VACUUM PUMP

(7708-8008)2B..BC

 COASTER |  VACUUM PUMP  ** Std Part 29300 - PUMP ASSY, VACUUM 29300A - HOSE, VACUUM PUMP OIL INLET 29300B - HOSE, VACUUM PUMP OIL OUTLET 29300C - BEARING, VACUUM PUMP ROTOR, FRONT 29311 - PIN, VACUUM PUMP DOWEL, NO.1 29311 - PIN, VACUUM PUMP DOWEL, NO.1  ** Std Part  ** Std Part 29315 - PIN, VACUUM PUMP DOWEL, NO.2 29315 - PIN, VACUUM PUMP DOWEL, NO.2 29322A - SEAL, VACUUM PUMP OIL 29331 - BLADE, VACUUM PUMP, A 29342 - PACKING, VACUUM PUMP 29342 - PACKING, VACUUM PUMP  ** Std Part  ** Std Part  ** Std Part 29369 - VALVE SUB-ASSY, CHECK  ** Std Part  ** Std Part  ** Std Part  ** Std Part  ** Std Part  ** Std Part  ** Std Part  ** Std Part  ** Std Part  ** Std Part  ** Std Part

Register

Nick (login)
Password
Full name
eMail
Phone
Country

Login

Nick (login)
Password